Vrijstaande woning – 1980, Fochteloo
Omschrijving
Zeer energiezuinige woning met o.a.- Dak- wand- en spouwisolatie- Passieve zonwering- Domotica – thuisaccu
Toegepaste maatregelen
Extra informatie
Beschrijving (na)isolatie van de woning
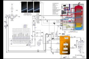
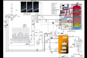
Beschrijving energievoorziening van de woning
Atag zonnegas combi
Warmwater panelen
PV panelen
CV haard
Adviezen
Ervaringen
Beschreven maatregelen
Aantal m2 40 m2
Vermogen 5750 wp, opbrengst ca. 5.500 kWh, eigen verbruik ca. 5.200 kWh
Soort Monokristallijn zonnepaneel
Merk en type Suntech STP250S/Wd
Elektriciteitsopbrengst (per jaar) 5200
Ervaringen
vervangt het terugloop systeem van 5 m2
investering vrijwel geheel met overheids subsidie gerealiseerd
Interviews
Van energieslurper naar energieopwekker
Wieb van der Heide woont met zijn vrouw Wiepkje in het dorp Fochteloo. De geboren Fries kocht in 2006 een opknapwoning, niet wetende hoeveel werk er in zou zitten. “Het hele huis zat vol schrootjes. Opknappen betekende uiteindelijk meer dan 300 projecten in 10 jaar tijd”, vertelt Wieb. Toch heeft hij veel respect voor de vorige bewoner. “De beste man heeft dit huis eigenhandig gebouwd in 1980, inclusief een kelder en binnen- en buitenzwembad. Ook heeft hij wand- en vloerverwarming aangebracht, uniek voor die tijd.” In de afgelopen 13 jaar heeft Wieb zijn woning energiezuiniger gemaakt. Hij deelt zijn verhaal via de Nationale Duurzame Huizen Route en stelt zijn woning op 2 november open voor bezoekers.
Lees het hele interview >
Kenmerken
Kaart
Display external content from Google Maps.
Display external content from Google Maps.
📍 Het exacte adres wordt niet getoond.




















