Vrijstaande woning – 1980, Nieuw-Amsterdam
Omschrijving
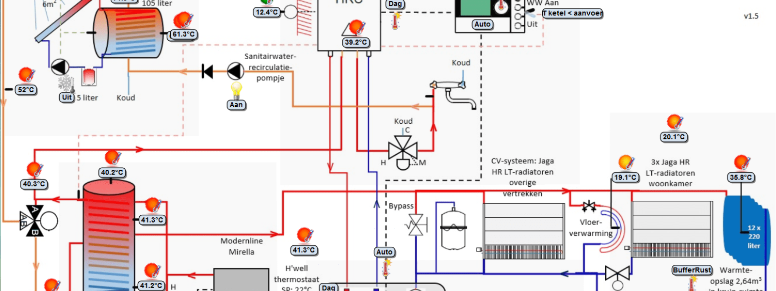
Deze woning, gebouwd vóór 1980, is door de jaren heen ingrijpend verbeterd: van géén of amper aangebrachte isolatie naar een volwaardige nul-op-de-meter woning. Voorzien van:
6kWp zonnepanelen, zonneboiler, 59 heatpipes
Spouwmuur-, vloer-, plafond-, zolder- en dakisolatie.
Bronwatersysteem voor toilet
Ruimteverwarming:
Lucht-water warmtepomp 4,7kW, COP 4,42
Houtgestookt cv-systeem: 30% stralingsafgifte in woonkamer, 70% warmte-afgifte richting buffervat van 300 liter (hierin eveneens een WW-tapspiraal ter voorverwarming van WW).
Hoog rendement Jaga LT-radiatoren in de gehele woning.
Warm water:
Voorverwarming via zonneboiler en 59 heatpipes (6m²)
Voorverwarming via buffervat door warmtepomp en houtkachel. Bij veel zonne-energie kan ook een elektrisch element in het buffervat bijgeschakeld worden.
HR-combiketel als evt. naverwarmer (via propaan-gasinstallatie)
Een sanitair circulatiepompje zorgt voor een continu aanleveren van warm water vanaf zonneboiler, via buffervat en keukenkraan weer retour naar de zonneboiler. Op deze manier is het WW-circuit al voorverwarmd. Indien de temperatuur van het WW te laag is, kan de combiketel bijgeschakeld worden (bijv. voor douche/bad). Voordeel: minder waterverbruik door directe aanwezigheid van voorverwarmd water!
Nul-op-de-meter, zelfs inclusief opladen hybride auto.
Elektrische energie-opslag: Tesla Powerwall-opstelling die tijdens overproductie van zonne-energie deze opslaat zodat tijdens piekvraag en gedurende avond- en nachturen de opgewekte eigen energie alsnog benut wordt. Pilot-project ism. Eneco CrowdNett
Warmte-opslag: Energie in de vorm van warm water boven 45°C wordt opgeslagen in een extra buffer in de kruipruimte. Vooral tijdens zomerse dagen wordt deze warmte afgegeven door de heat-pipes. In koelere dagen wordt de warmte weer gebruikt voor de vloer-verwarming.
Lees ook het duurzaamheidsverhaal van de familie Vermaas >
Toegepaste maatregelen
Extra informatie
Beschrijving (na)isolatie van de woning
Beschrijving energievoorziening van de woning
Warm-water: 59 Heatpipes, 105liter zonneboiler, CV-gekoppelde houtkachel, werk(buffer)vat 300liter, 2640liter extra buffer voor opslag overtollige warmte tijdens zomerdagen. Sanitairpomp transporteert (medium is warm drinkwater) en voert de warmte van de heatpipes via zonneboiler naar werkvat, naar de keukenkraan en vervolgens weer terug in de zonneboiler.
Adviezen
Ervaringen
Toekomstplannen
Beschreven maatregelen
Ervaringen
Aan de binnenzijde van het oude dakbeschot (spaanplaat) is een nieuwe laag aangebracht (10 cm SlimFix Deco platen van IsoBouw). Compleet met afdicht-strippen geeft dit een luchtdichte isolatielaag. De strippen zorgen ook nog eens voor een strakke afwerking. De binnen- (zicht)zijde is standaard wit (Ral 9016) geverfd, geen extra actie noodzakelijk.
Ervaringen
Het materiaal is zeer eenvoudig, met 5 dotten PS-lijm, direct aan te brengen aan de onderzijde van de betonplaten. De platen 20 sec. aandrukken en ze blijven definitief hangen.
Ervaringen
De temperatuur van de betonvloer in de kamer is ruim 3°C hoger geworden en voelt een stuk aangenamer aan dan voorheen.
Ervaringen
Door gebruik te maken van hout-kachel en warmtepomp is de HR-combiketel alleen aktief tijdens na-verwarming van tapwater. Tot nu toe zijn +- 4 gasflessen hervuld (à €27…29, één fles per half jaar). De vervanging van de ketel & plaatsing van de warmtepomp en de aanpassing aardgas naar propaan zijn gedaan door erkende installatiebedrijven.
Ervaringen
De warmtepomp gebruikt veel stroom (in ons geval +-3000kWh). Om dit te compenseren is een groot aantal zonnepanelen nodig. Tijdens donkere winterse dagen hebben we veel aan de warmtepomp als basis. De warmtepomp alleen is echter amper toereikend om de gehele woning warm te houden. In onze situatie stoken we dan een beetje bij mbv de houtkachel (die ook de cv ondersteunt).
Ervaringen
Indien je volledig gasloos bent is dit een alternatief om in barre omstandigheden toch enige warmte en gezelligheid te hebben. Voor het gebruik van deze kachel moet helaas elektrische energie aanwezig zijn om de warmte naar het buffer te kunnen vervoeren. Indien geen spanning aanwezig dan kan de kachel (in principe) droogkoken. Hier zijn echter (verplichte) voorzorgsmaatregelen voor toegepast zoals koud-leidingwater-koeling en overtemperatuur- en overdruk-beveiligingen.
Ervaringen
We merken dat toch een klein beetje warmte via de begane grondvloer ontsnapt (+- 1 graad per dag zakt de temperatuur van het buffer). Nu is dit in koudere tijden welkom, voelt als vloerverwarming. Aangezien we een hete zomer in 2018 hadden werd het wel warm in huis (26 graden). Mijns inziens is dit een uitzondering geweest. Indien dit toch vaker gaat gebeuren denk ik erover het buffer uit te breiden met een soort van waterzak in de kruipruimte (ook geïsoleerd).
Ervaringen
De vloer voelt aangenaam aan (+-20,5 graden). Daardoor is het bijstoken met bijv. de houtkachel niet echt meer noodzakelijk. We proberen de ruimtetemperatuur op 19 graden te handhaven met de vloerverwarming en bij aanwezigheid mbv de Jaga radiatoren de ruimtetemperatuur naar 20,5 graden op te hogen.
Ervaringen
Luchtververversing blijft noodzakelijk. Aangezien we geen mechanische ventilatie hebben zijn de roosters noodzakelijk. De nieuwe roosters van het merk Duco hebben een verbeterde isolatie in gesloten stand doordat de lucht wordt opgesloten tussen 2 halvemaanvormige kleppen. Dit voorkomt condens zoals dat vroeger zichtbaar was op de binnenzijde van de oude roosters.
Ervaringen
Ik ben zeer tevreden over de toepasbaarheid van Domoticz in combinatie met RaspberryPi (Linux). Zeer flexibel. Enige programmeer-kennis is vereist. Het resultaat is er dan ook naar. Implementeerbaar ook voor ander huiseigenaren. Eventueel op afstand benaderbaar/aanpasbaar.
Ervaringen
Het in – en uitschakelen van apparaten is nog niet zo eenvoudig. Vaak moet extra apparatuur aangeschaft worden (zoals SonOff of KlikAanKlikUit-materiaal) om daadwerkelijk te anticiperen op pieken. Ook is het in de praktijk lastig om bijv. een lader of wasmachine telkens te pauzeren als bijv. de zon even weggaat. Hier ligt werkelijk een uitdaging. Ook vereist het toepassen van zulke oplossingen enige programmeer-kennis, inzicht in ergonomie (gebruikersgemak), procestechniek en algoritmes.
Ervaringen
Dimbare leds 12..24Vac kunnen via een ouderwetse trafo en KlikAan-KlikUit prima werken. Op sommige niveaus ontstaat een snelle knippering, in mijn ogen hinderlijk, anderen valt dit niet op. Maar zelfs de goede – direct zonder trafo aangestuurde – (230V) Philips-ledlampen geven eenzelfde knippering. Het lijkt dat de dimmers niet in staat zijn om een dusdanige stabiele spanning te genereren.
TL-buizen: ze zijn erg zuinig, ze hebben echter als nadeel dat het opstarten – vooral tijdens koude perioden – lang duurt. Bij een kort gebruik (bijv. om iets uit de ruimte te pakken) geeft een tl-buis na een tijdje geknipperd te hebben ook nog eens minder lichtopbrengst. Tegenwoordig zijn mooie retro-fit oplossingen te verkrijgen.
Ervaringen
We zijn content met deze oplossing. In natte tijden is enige regulatie mogelijk. In droge tijden dienen de vaten als buffer.
Ervaringen
Het semi-elektrisch rijden bevalt ons super. Onder de 80km/u kan grotendeels elektrisch gereden worden. Echter nadelig eigenschapje van de huidige systeemsoftware is dat de benzinemotor bedrijfswarm moet zijn. Dit betekent dat af en toe toch de benzinemotor aangaat om zichzelf op te warmen. Dit is als elektrische gebruiker niet te veranderen. Na 4 jaar gereden te hebben is de capaciteit van ca 80km per laadbeurt (10kWh pakket) naar ca 60km teruggelopen. Voor ons niet zo’n probleem aangezien de woon-werk-afstand klein is.
Ervaringen
De zonneboiler levert een belangrijke bijdrage aan de warmtevraag in de woning. Naast warmwater-voorziening voedt dit systeem ook het cv-gedeelte. Zonder deze maatregel is het voor (deze) bestaande woning lastig om de woning op temperatuur te houden. We zijn erg blij de investering toenmalig gedaan te hebben. De kosten zijn ruimschoots terugbetaald!
Het lood onder vlakkeplaat-collector is vanaf 2015 meer en meer gaan lekken. Ook ontstond er steeds meer condens aan de binnenzijde van de afdekkende glasplaat. Dit is de voornaamste reden om in eind 2017 de vlakkeplaat-collector te vervangen door de heatpipes. Voordeel van heatpipes: véél hoger rendement in de winter en tijdens gure winderige dagen. Er is echter wèl instraling nodig.
Ervaringen
De afwas- en wasmachine worden gevoed met voorverwarmd water. Dit bespaart in het elektrisch opwarmen. Het systeem werkt al vanaf 2001 storingsvrij. Warmwater-aanvoer naar afwas- en wasmachine noodzakelijk, dus aan te leggen. Makkelijk te implementeren. Rondvoerend warm water tot aan de keukenkraan voorkomt waterverlies doordat de temperatuur meestal gelijk al hoog genoeg is.
Ervaringen
We zijn heel blij met deze aanschaf, alhoewel we graag voor het grotere broertje hadden willen gaan; deze was echter nog niet op de markt gezet. We hopen op deze manier bij te kunnen dragen in het verminderen van uitstoot van de kolencentrales.
Ervaringen
Makkelijk toepasbaar.
Ervaringen
De afstraling naar buiten is flink merkbaar gereduceerd. We vinden helaas de kleur van de cement in de vulgaten ook na enige tijd slecht overeen komen met de rest van de bestaande muur. Dat is wèl jammer.
Interviews
Interview Emmen geeft Energie:
Verduurzamen van je woning doe je in stapjes
“De laatste maatregel die is doorgevoerd is de plaatsing van HR++ glas.” Peter Vermaas is in 1993 samen met zijn vrouw Harriët verhuisd van Veenoord naar Nieuw-Amsterdam. Ze kozen bewust voor een woning met het dak en de tuin op het zuiden om optimaal van de zon te kunnen genieten. Peter is ooit begonnen met de bouw van een eigen windmolen, inmiddels is zijn huis van het gas af. “Uiteindelijk hadden we nog een gasverbruik van 41 m3 en daar wilden we echt vanaf.”
Peter heeft heel veel maatregelen doorgevoerd in zijn woning. Denk aan zonnepanelen, heatpipes, isolatie, zonneboiler, Tesla powerwall en een warmtepomp. Zelfs zijn eigen auto, een Prius, heeft hij eigenhandig omgebouwd tot een elektrische auto. “Een man uit Amerika heeft het bedacht. De accu van de auto was te klein, maar technisch is hij in staat om elektrisch te rijden. Ik ben samen met iemand uit Den Haag de enige die zijn auto heeft omgebouwd.”
Verduurzamen van je woning gaat in stapjes
“Je hoort de berichten wel, we moeten van het gas af. En dat klinkt wel mooi, maar voor bestaande woningen is het wel een gigantische uitdaging. We zijn nu drie jaar gasloos. Ik kom vanuit de elektronica. Ik ben technisch onderlegd en dat scheelt heel veel. Anders kwam ik ook niet zo ver. En het gaat in stapjes. Je kunt niet alles in één keer aanpakken. Je woning isoleren is het belangrijkste. En je zult het merken in het comfort. De warmtevraag wordt steeds minder. Daarna kun je denken aan opwekken van elektriciteit. De wind waait en de zon schijnt, we hebben altijd gratis energie beschikbaar. Het is zonde wanneer we daar niets mee doen. We kunnen dit opvangen en gebruiken in het dagelijks leven.”
Heatpipes op het dak
In december heeft Peter heatpipes geplaatst op het dak. Hier is hij erg tevreden over. Er zit een vacuüm omheen, waardoor de warmte niet meer weggaat. “Tijdens mijn wintersportvakantie checkte ik op een app hoe het er in huis voorstond. Het bleek dat de warmtepomp niet was aangegaan. Eerst dacht ik dat hij stuk was gegaan, maar de heatpipes waren al in staat om de basiswarmte te leveren. En dat met een koude gure oostenwind bij een temperatuur van -9. Wat een mooi product!”

Via de app heeft Peter inzicht in zijn installaties.
Andere huiseigenaren helpen
Naast een vierdaagse werkweek is Peter één dag per week actief met het verduurzamen van zijn eigen huis en het geven van advies aan andere huiseigenaren. Het is een uitgeschoten hobby geworden. Peter wil graag andere woningeigenaren helpen en zijn kennis delen. Hij heeft een infrarood camera gekocht. “Je kunt hiermee heel mooi de gaten en koudebruggen ontdekken. Ook kapotte zonnepanelen zijn te zien met de warmtecamera.”
Energiebeurs
Samen met mijn vader ga ik nu eens per jaar naar de energiebeurs in Den Bosch. Daar doe ik inspiratie op. Wanneer je zelf je woning wilt verduurzamen, kan ik je aanraden hier ook naar toe te gaan.”
Bron: Emmen geeft Energie (2 mei 2018). Verduurzamen van je woning doe je in stapjes. Via EmmengeeftEnergie.nl
Interview:
Van windmolen naar NoM, volledig elektrisch rijden én een Tesla-accu opslagsysteem.
700ste deelnemer Nationale Duurzame Huizenroute een feit
Begin mei ’17 meldde zich de 700ste huiseigenaar voor de Nationale Duurzame Huizenroute. Een mooie mijlpaal op weg naar 1000 deelnemers in 2017. Deelnemers die trots zijn op de door hen genomen energie besparende maatregelen en hun ideeën, keuzes en ervaringen graag delen met andere geïnteresseerden.
Op vrijdag 12 mei gingen we met een bloemetje en een pakket lokale biologische producten langs bij de Nul-op-de-Meter woning van Peter en Harriët Vermaas in Nieuw-Amsterdam (Drenthe). Wie zijn ze, waarom meldden ze zich aan? En welke maatregelen hebben ze genomen om hun woning tot Nul-op-de-Meter te krijgen?
Systeemtechnicus
Bij binnenkomst staat de koffie klaar en ligt er een uitgebreide systeemtekening op tafel waarin alle maatregelen vermeld staan. We hebben kennelijk te maken met een echte systeemtechnicus. Vol enthousiasme vertelt Peter Vermaas over zijn weg naar Nul-op-de-Meter. “23 jaar geleden kochten we deze jaren ’80 woning. Toen al bewust vanwege de tuin op het zuiden om optimaal gebruik te maken van zonne-energie.” Samen met z’n vader bouwde hij een windmolen met spanwijdte van 3 meter. “Goed voor een kleine 500 Wattpiek”. Daarnaast werden er een zonneboiler en voor 600 Wattpiek aan zonnepanelen op het dak geplaatst.
Grijswatersysteem
“Door de komst van onze kinderen merkten we dat het waterverbruik erg toenam. Voor ons reden genoeg om te zoeken naar alternatieve manieren van waterverbruik.” Het toilet kon al snel worden doorgespoeld met bronwater. “Ons verbruik nam af met 40%!”
Zelfomgebouwde elektrische auto
Enkele jaren later werd de windmolen afgebroken en in 2013 kwam er voor totaal aan 6.6 kWp aan zonnepanelen op het dak en bouwde Peter zijn Toyota Prius eigenhandig om tot elektrische auto. In de jaren erna kwam er een HR-luchtwaterpomp, werd de gehele woning geïsoleerd en kwamen er een nieuwe HR-ketel plus een nieuwe houtkachel die ook volledig geïntegreerd werd in het warmwatersysteem van de woning. Door de genomen maatregelen verbruikt de familie Vermaas per saldo inmiddels minder energie dan ze opwekken. “De oude zonnepanelen hebben we op onze huurwoning geplaatst.”
Gasloos wonen
Sinds begin 2016 is de woning ontkoppeld van het aardgasnet en voorzien twee vaatjes propaangas in hun minimale gasbehoefte. Door deelname aan een pilotproject van Eneco beschikt de familie Vermaas inmiddels ook over een Tesla-accu opslag. Dat de bijgeleverde transportkist inmiddels wordt gebruikt als unieke tuintafel sluit helemaal aan bij het principe van Peter en Harriët. “Vanuit een stukje ideologie, hobby en vakkennis bijdragen aan een beter milieu en duurzamer verbruik van fossiele brandstoffen.” Die combinatie heeft eraan bijgedragen dat familie Vermaas inmiddels produceert in plaats van consumeert. Een schitterend resultaat en prachtige toevoeging aan de Nationale Duurzame Huizenroute.
Open huis
Peter en Harriët kregen de afgelopen tijd al steeds meer geïnteresseerden over de vloer voor inspiratie en ervaringen. Deelname aan de Nationale Duurzame Huizenroute sluit daar helemaal bij aan.
Kenmerken
Kaart
Display external content from Google Maps.
Display external content from Google Maps.
📍 Het exacte adres wordt niet getoond.
























































